Винты-барашки DIN 316 GF - это стержень-цилиндр с метрической резьбой и головкой (барашкой). Последняя характерно отличается выступающими плоскими элементами (лепестки) для передачи крутящего момента без применения монтажного инструмента.
Немецкий тип метиза определяется лепестками округлой, бестравматичной, формы.
Для удобства сборки резьбового соединения допускается применять шестигранные нержавеющие гайки и гайки-барашки.
Номинальные диаметры резьбы: М4, М5, М6, М8 и М10. Длины: 16 - 40 мм.
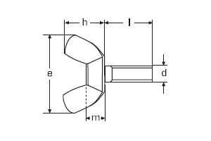
| e | 17.6 | 22.5 | 27.8 | 30.3 | 36.2 |
| h | 8.6 | 11 | 13.6 | 14.8 | 17.7 |
| m | 2.9 | 4.1 | 5.1 | 5.6 | 6.8 |
| l | d | ||||
|---|---|---|---|---|---|
| M4 | M5 | M6 | M8 | M10 | |
| 10 | + | + | + | + | |
| 12 | + | + | + | + | |
| 16 | + | + | + | + | + |
| 20 | + | + | + | + | + |
| 25 | + | + | + | + | + |
| 30 | + | + | + | + | + |
| 35 | + | + | + | + | + |
| 40 | + | + | + | + | + |